Optical Materials
Micro-Optical Components
Fiber Optic Components
Light Sources & Photodiodes
  Fiber Coupled Laser Diodes
  Receptacle Laser Diodes
  Light Source Modules
  InGaAs Photodiodes
(0.95~1.65um)

  InGaAs Photodiodes
(0.6~1.7um)

  InGaAs Photodiodes
(0.9~2.2um)

  InGaAs Photodiodes
(0.9~2.6um)

  InGaAs APD
  InGaAs Linear Image Sensor
  InGaAs Area Image Sensor
  Pigtailed InGaAs Photodiodes
  Receptacle InGaAs Photodiodes
  Pyroelectric Infrared Sensor
  NDIR Gas Sensor
  Infrared Thermopile Temperature Sensor
  Visible Light Sensor
  2um Pigtailed Photodiodes
  Pigtailed Si Photodiodes
  Receptacle Si Photodiodes
Spectrometers
Wafers
Services
       

785nm 600mW Wavelength-Stabilized Fiber Coupled Diode Laser

Product Features:

  • 600mW output power
  • 105μm fiber core diameter
  • Narrow bandwidth less than 0.12nm
  • For Raman Spectroscopy

Electrical and Optical Characteristics (T=25ºC):

Parameters
Symbol
Test conditions
Min
Typ Max
Unit
CW Output Power
Po
CW 600   mW
Threshold Current
Ith
CW   400   mA
Operating current
Iop
CW 600mW
1.1 1.5
A
Operating Voltage
Vop
CW 600mW
1.9 2.2
V
Reverse Voltage
Vre
CW 600mW
2.5   V
Slope Efficiency
η
CW 600mW
0.9   W/A
Electrical-to-Optical Efficiency
PE
CW 600mW
30   %
Central Wavelength
ʎc
CW 600mW
784.5 785 785.5
nm
Spectral width(FWHM)
Δʎ
CW 600mW
0.06 0.12 nm
Wavelength Shift with Temperature
  CW 600mW
0.01   nm/℃
PD
Ipd CW 600mW
300~500   μA
TEC Max. Current
Itec CW 600mW
2.2 A
TEC Max. Voltage
Vtec CW 600mW
8.75 V
Fiber Core Diameter
Dcore
  105   μm
Fiber Numeric Aperture
NA
0.22    
ESD
ESD
  500
V
Storage temperature
    -20 70

Lead Soldering Temp
    260

Lead Soldering Time
    10
Sec
Operating Case Temperature
    15 35

Relative Humidity
    15 75
%

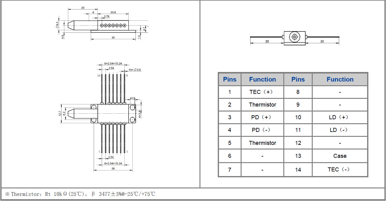
Pin Definition and Dimensions in mm :


Output Characteristics:


Typical spectrum:

 

Copyright © 2016 Precision Micro-Optics Inc. All Rights Reserved.